// // // PHPH.com.br - Simulação do comportamento dinâmico de um motor à relutância no Simulink
All for Joomla All for Webmasters

Simulação do comportamento dinâmico de um motor à relutância no Simulink

Paste a VALID AdSense code in Ads Elite Plugin options before activating it.

Além dos serviços de programação orientada a objetos no MATLAB, também empregamos o Simulink para a modelagem, simulação e análise de sistemas diversos. Neste artigo, demonstramos a simulação do comportamento dinâmico de um modelo de um motor elementar à relutância com torque resistente equivalente a de uma mola presa ao rotor:

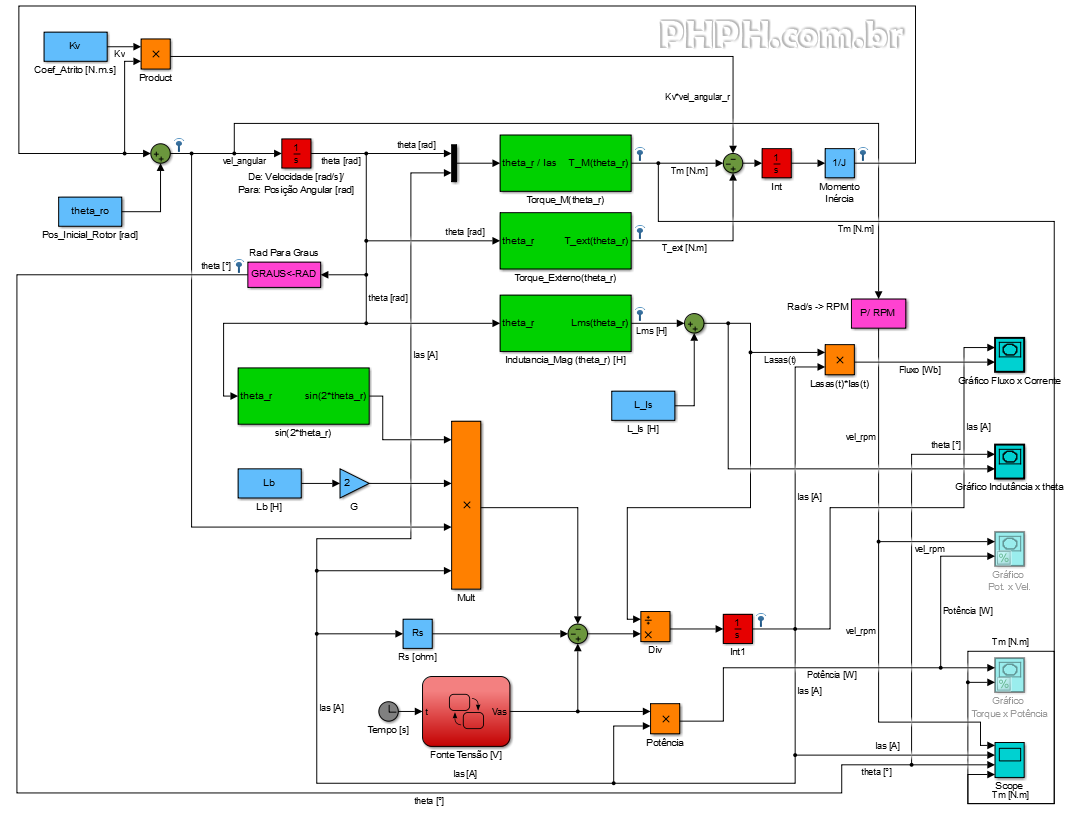
A simulação é realizada por meio do diagrama de blocos abaixo, o qual apresenta os diversos parâmetros do motor (coeficiente de atrito, posição inicial, indutâncias, momento de inércia, etc.) e possui a capacidade de demonstrar diversos gráficos (fluxo, corrente, indutância de magnetização, ângulo, velocidade em qualquer combinação) referentes ao desempenho e características peculiares do motor à relutância. Perceba que a fonte de tensão é simulada por um diagrama de estados, para fins de maior flexibilidade.

simulink motor relutancia

simulink motor relutancia

Como resultado da simulação, apresentamos os gráficos que são considerados fundamentais para a compreensão desse motor (velocidade,  corrente no estator, ângulo do rotor em relação à referência e torque mecânico versus o tempo) :

simulink motor relutancia graficos

Por fim, demonstramos o gráfico do fluxo versus a corrente, no qual sabemos por meio da teoria de conversão de energia eletromecânica que a área compreendida pelo loop entre os dois pontos representa a energia elétrica convertida em mecânica:

simulink motor relutancia fluxo corrente

Deixe um comentário

Certifique-se de preencher os campos indicados com (*). Não é permitido código HTML.